Теплоакумулятор KHT PS-C-00-400-GP-PU без теплообмінників

Рейтинг:
20 600 грн.
Акумулюючі ємності
Внутрішній бойлер для ГВП: немає
Теплообмінник: немає
Об'єм, л: 400
Ізоляція: є
Гарантія, р: 5
Кількість:

Буферні ємності серії PS  призначені для роботи у системах опалення. Представляють собою закриті посудини, які можуть працювати під надлишковим тиском внутрішнього теплоносія до 0,3 МПа, виготовлені з чорної сталі без внутрішнього покриття. Буферні ємності можуть бути виготовлені у 3х варіантах - моделі: PS-00, PS-01, PS-02.
Особливою відмінністю даної серії буферних ємностей є розташування патрубків підключення споживачів та джерел енергії під кутом 90°, що полегшує оптимальний монтаж ємності в котельні.

 

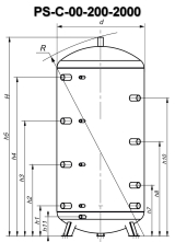
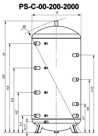
Загальні габаритні розміри для акумулюючих ємностей серій PS-00-200÷400 літрів

Модель V, л
Н, мм D, мм  d, мм  h1,",мм  h2,",мм  h3,",мм h4,",мм h5,",мм h6,",мм h7,",мм h8,",мм h10,",мм
PS-С-00-200-GP-PS 232 1380  674 502 6/4, 204 6/4, 507 6/4, 811 6/4, 1114 5/4, 1378 6/4, 356 6/4, 659 6/4, 659 6/4, 962
PS-С-00-300-GP-PS 338 1416 775  603 6/4, 222 6/4, 525 6/4, 829  6/4, 1132 5/4, 1414 6/4, 374 6/4, 677 6/4, 677 6/4, 980
PS-С-00-400-GP-PS 408 1666 775  603 6/4, 227 6/4, 610 6/4, 994 6/4, 1377 5/4, 1664 6/4, 419 6/4, 802 6/4, 802 6/4, 1185
PS-С-00-500-GP-PS 555 1933  823  651 6/4, 242 6/4, 705 6/4, 1169  6/4, 1632 5/4, 1931  6/4, 474 6/4, 937 6/4, 937 6/4, 1400
PS-С-00-800-GP-PS  722 1738  962 790  6/4, 272 6/4, 655 6/4, 1039 6/4, 1422 5/4, 1736 6/4, 464 6/4, 847 6/4, 847 6/4, 1230
PS-С-00-1000-GP-PS 843 1988 962 790 6/4, 277 6/4, 740 6/4, 1204 6/4, 1667 5/4, 1986 6/4, 509 6/4, 972 6/4, 972 6/4, 1435
PS-С-00-1500-GP-PS 1361 2029 1169 997 6/4, 295 6/4, 758 6/4, 1222 6/4, 1685 5/4, 2027 6/4, 527 6/4, 990 6/4, 990 6/4, 1453
PS-С-00-2000-GP-PS 1979 2105 1368 1196 6/4, 340 6/4, 803 6/4, 1267 6/4,1730 5/4, 2104 6/4, 572 6/4, 1035 6/4, 1035 6/4, 1498

 Характеристики ємностей серії PS-00

 — простота моделі;

— можливість підключення до різних джерел енергії;

— виконує функцію гідравлічної стрілки;

— може бути використана у закритій чи відкритій системі;

— можлива докомплектація теплообмінними блоками та електричними нагрівачами

 
Відгук
Залишити відгук
Ім`я
E-mail
Текст коментаря
Оцінка для продукту
Copyright MAXXmarketing GmbH
JoomShopping Download & Support
 
 
 

Акумулюючі (буферні) ємності у сучасних системах опалення

Акумулююча ємність (теплоакумулятор, теплий бак) представляє собою сталевий резервуар об'ємом від 200 до 10 000 літрів. Виготовляється із чорної сталі, поставляються із утеплювачем або без нього. Утеплювач, зазвичай, представляю собою шар пінополіуритану товщиною від 80 до 100 мм, обгорнутий у дермантин (шкірозамінник) на застібці. Є виробники, котрі поставляють баки із нез'ємним утепленням товщиною до 60 мм, яке складається з декількох шарів різних термоізоляційних матеріалів, що більше зберігає тепло. Нижче ми роздивимось основні функції акумулюючих ємностей у системах опалення та основні схеми підключення баків у залежності від ваших потреб, вимогах до теплоносія тощо.

Функції акумулюючої ємності

1. Дозволяє закумулювати поступаюче від котла тепло, поступово віддаючи його у систему опалення

Акумулюючі ємності у системах опалення з твердопаливними котлами дозволяють акумулювати всю енергію, котру виділяє паливо при згорянні. Кожна кілокалорія закумульована у теплому баку буде використана тоді, коли це буде необхідно.

2. Попереджає можливісь пергріву котла

Використовуючи твердопаливні котли для опалення будинку, часто виникає ситуація, коли енергія для опалення в даний момент вже не потрібна, а в топці ще знаходиться паливо. При цьому котел перегрівається, що, у кращому випадку, призводить до зменшення ресурсу його роботи, а у найгіршому  випадку - перегорає теплообмінник і вам доведеться купувати новий котел.
Також при надлишковому виділенні тепла у систему опалення поступає перегріта вода, що може призвести до пошкодження трубопроводу.

З використанням акумулюючої ємності (при правильному підборі літража та функціоналу баку) перегрів котла та обладнання в системі опалення виключений.

Підключення акумулюючої ємності

Рис. 1. Стандартне підключення акумулюючої ємності у системі опалення з твердопаливним котлом

1. Твердопаливний котел; 2. Група безпеки котла; 3. Буферна ємність; 4. Триходовий клапан; 5. Насос циркуляції; 6. Розширювальний бак; 7. Опалювальний контур

3. Дозволяє легко комбінувати різні опалювальні прилади (електричні, твердопаливні газові, сонячні системи) в загальну систему опалення

Використання в системах опалення акумулюючих баків дозволяє легко комбінувати різні опалювальні прилади (твердопаливні, газові, електричні котли, сонячні системи, теплові насоси) та у любий момент перейти з одного джерала тепла на інше, більш комфортне та вигідне.

Нижче наведені спрощені схеми опалення у комбінуванні з електрокотлом, сонячними колекторами, бойлером непрямого нагріву:

Схема підключення акумулюючої ємності з твердопаливним котлом та електричним котлом
Рис. 2. Схема підключення акумулюючої ємності з твердопаливним котлом та електричним котлом
Рис. 3. Схема опалення твердопаливного котла разом із газовим котлом, акумулюючою ємністю та бойлером непрямого нагріву
Рис. 3. Схема опалення твердопаливного котла разом із газовим котлом, акумулюючою ємністю та бойлером непрямого нагріву

Акумулююча ємність сприяє покращенню роботи опалювального обладнання, що призводить до подовження його сроку експлуатації. Також використання баку знижує витрати палива за рахунок акумулювання енергії, збільшує ККД системи, що призводить до зменшення числа завантажень палива у котел.